volver a
>
Mowers
>
Petrol
>
Without drive from 43 cm on
>
Concept
>
Concept 43 B
>
Motor, Frame, Blade
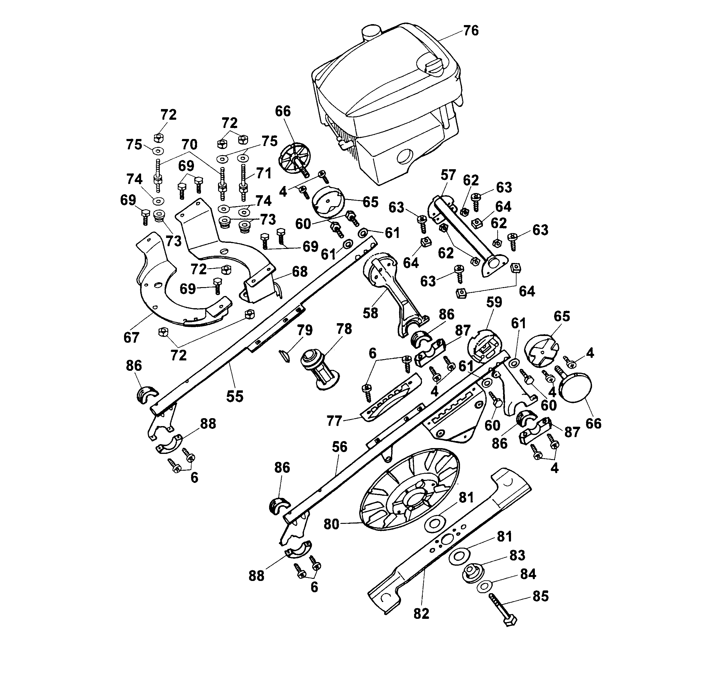
Lista de repuestos para Wolf Mowers Motor, Frame, Blade
pos.
descripción
Número de pieza
4
Screw M 5X20
0012 607
6
Screw 5X12
0012 605
55
Frame, Right
6450 010
56
Frame, Left
6450 012
57
Tie-Bar
6450 014
58
Handlebar Holder, Right
6450 100
59
Handlebar Holder, Left
6450 102
60
Hex Screw M6X45 Din 931 8.8
0010 313
61
Friction Disk
6150 182
62
Nut
0016 311
63
Screw M 6X15
0012 831
64
Square Nut
0016 405
65
Fixing Case
6450 118
66
Handwheel
6450 018
67
Motor Support, Front
6450 112
68
Motor Support, Back
6450 114
69
Hex. Screw M 6X12
0010 386
70
Stud Bolt, Short
6450 170
71
Stud Bolt, Long
6450 171
72
Hex. Nut
0016 312
73
Rubber Buffer
6450 319
74
Bush
6450 138
75
Washer
0017 291
76
Motor
2066 075
77
Crank
6450 136
78
Clutch-Drive
6450 141
79
Key
0029 130
80
Fan-Flywheel
6450 317
81
coupling
6450 403
82
Cutter Bar
4350 095
83
Coupling Disk
6450 140
84
Friction Washer
0017 105
85
Screw
0010 264
86
Bearing Shell
6450 309
87
Shell, Rear
6430 323
88
Front Support Shell
6450 305
Wolf
Handtools
Hedge-shears
Secateurs
Grass-shears
Loppers
Tree Lopper
Tree care
Illumination, Ambiance
Battery-shears
Shredders
Saws
Grass-Trimmers
Reel-mowers
Spreaders / Portax
Irrigation
Scarifiers / Aerators
Mowers
Accu
Petrol
Without drive up to 42 cm
Without drive from 43 cm on
series 2
series 4
series 6
Concept
Concept 43 B
Concept 43 B
Concept 43 B
Concept 47 B
Concept 43 B
Data Sheet
Chassis, add-on pieces
Axle, Wheels, Height-adjustment
Handlebar
Motor, Frame, Blade
Grass collector Concept
XM 45
Concept 43 B PP
Concept 43 B
Concept 43 K "KIR"
Premio
Esprit
Others
Drive up to 42 cm
Drive from 43 cm on
Electric start / Touch 'n Mow
Electro
Ride-on Mowers
Petrol engines
Optional extras
Condiciones
(C) by motoruf