volver a
>
Ride-on Mowers
>
Trac
>
OHV 6
>
Trac OHV 6
>
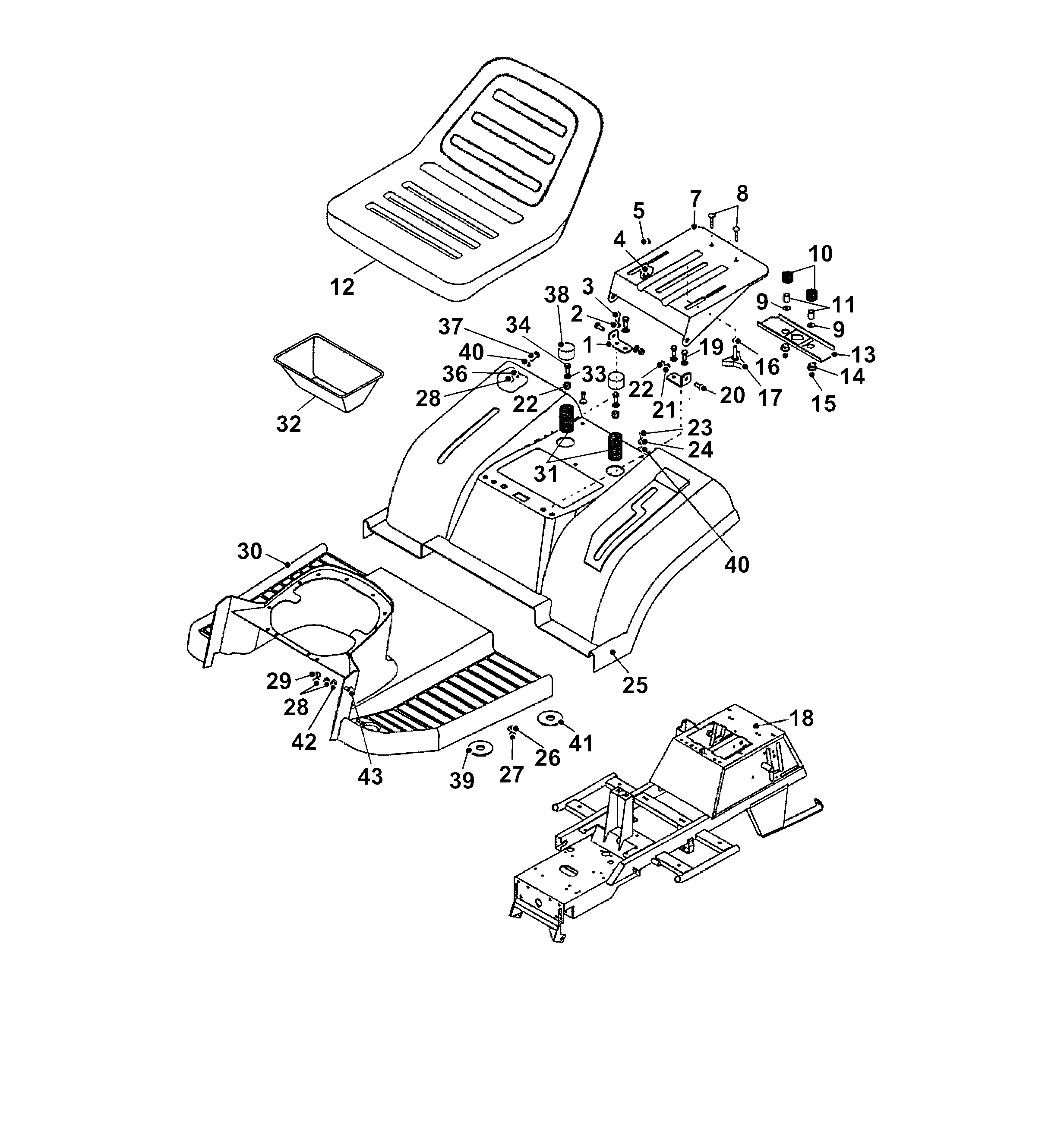
Body assembly-fender / Seat
Lista de repuestos para Wolf Ride-on Mowers Body assembly-fender / Seat
pos.
descripción
Número de pieza
1
Supporting Angle
6205 473
2
Washer Spring
0017 909
3
Hex Screw M8X25-Din 933 8.8
0010 125
4
Hex Screw M8X20-Din 933 8.8
0010 690
5
Distance Disc
6200 126
7
Seat Support
6205 472
8
Screw
0013 641
9
Flat Washer 6.6 Zinc
6205 567
10
Spring
6205 422
11
Distance Bush Slitted
6205 164
12
Seat K3 505900119
6200 347
13
Bracket
6205 471
14
Bush
6205 150
15
Nut
0016 311
16
Spring washer 8 DIN 137 A
0017 811
17
Adj.Knob 285 5/16"18Ngx3/4Lg
6205 124
18
Chasis Frame
6200 010
19
Hex Screw M8X30 Din 933 8.8
0010 399
20
Screw
6205 119
21
Washer A 8,4 Din 125
0017 123
22
Hex. Nut
0016 312
23
Carr. Bolt M5X20-Din 7991A4
6205 587
24
Finishing Washer 5.3 Sn 213912
6205 133
25
Console With Battery Cover
6200 334
26
Washer 10,5-Din 125A
0017 124
27
Self-Locking Nut M10-Din 985 Cl.8
0016 316
28
Hex. Nut
0016 310
29
Flat Washer 5.3 Din 9021 B
0017 287
30
Footrest Assy - Black
6205 019
31
Compression Spring
6205 420
32
Battery Box
6200 320
33
Flat washer 8.4 DIN 9021 B
6205 568
34
Hex Screw M8 X 20 Din 933 8.8
0010 402
36
Flat Washer 5.3 Din 9021 B
0017 287
37
Screw
0013 631
38
Cap Black
6205 307
39
Rubber Washer 10,5
6205 329
40
Rubber Washer 5,3
6205 327
41
Rubber Washer 11,5
6205 330
42
Washer
0017 120
43
Screw
0012 955
Wolf
Handtools
Hedge-shears
Secateurs
Grass-shears
Loppers
Tree Lopper
Tree care
Illumination, Ambiance
Battery-shears
Shredders
Saws
Grass-Trimmers
Reel-mowers
Spreaders / Portax
Irrigation
Scarifiers / Aerators
Mowers
Ride-on Mowers
Scooter
Cart
Trac
OHV 6
Trac OHV 6
Trac OHV 6
Data Sheet
Engine
Front axle
Steering
Transmission drive
Operation mower /Lift
Operation brake
Operation change gear
Mower housing
Cutting pan drive system
Chute collector assembly
Grass collector assembly
Body assembly-fender / Seat
Body assembly hood
Wiring harness compl.
Electrical switches 1
Electrical switches 2
Decals / Labels
Trac OHV 6
OHV 7
Gear
Petrol engines
Optional extras
Condiciones
(C) by motoruf